Winwon Chips Winwon Chips

Kjt-D12A-Ly - Differential Hall Effect Speed Sensor - Square Wave Signal Output From Push-Pull Stage W/M12X1 1.0" Thread D12A Speed Sensor

Still deciding? Get samples of $ !
Request Sample

Product Description

Basic Information
Model NO.
KJT-D12A-LY
Wires
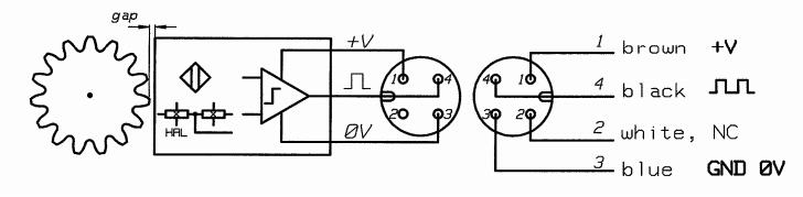
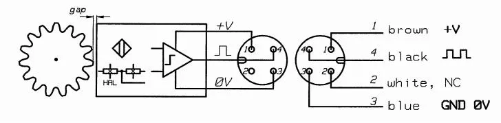
PNP (Three-Wires)
Standard
Standard
Application
Basement
Size
118 Type
Certification
ISO, RoHS, CE
Transport Package
Polybag
Specification
m12 speed sensor
Trademark
KJTDQ
HS Code
9029201000
Production Capacity
50000
Product Description

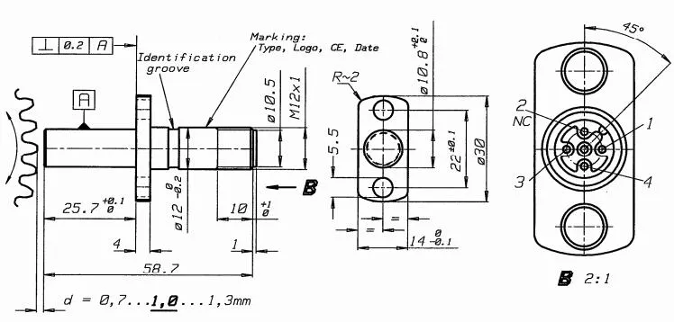
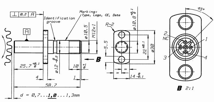
The D12A series Differential Hall-Effect Speed sensors are suitable, in conjunction with a ferrous pole wheel, for generating square wave signals proportional to rotary speeds. The D12A exhibits a static function, whereby pulse generation down to 5 Hz is guaranteed.

Key Features:
  • Signal Output: Square Wave signal from push-pull output stage, DC-coupled to the supply, 30 mA max. load current
  • Thread Length: 1.0" M12x1 thread
  • 8-32 DCV Supply Voltage
  • 15 mA (without load) maximum current consumption
  • 5-20 kHz Frequency Range
  • Housing: M12x1, tightening torque: max 12 Nm
  • Connection: Connector, M12x1 thread, 4 pins, black
  • Operating Temperature: -104-257°F (-40-125°C)
  • Protection: IP68 (Sensor) / IP67 (Cable)
  • Insulation: housing and electronics galvanically isolated (Test: 500V, 50 Hz for 1 minute)
Additional Info:
  • Digital Magnetic & Hall Effect Sensors
  • Connector
Product Gallery
Industry Application

These products include various industrial automation sensors, industrial safety products, measurement products, wireless transmission devices, etc. They are widely used in aerospace, navigation, railway, post and telecommunications, communication, elevator, textile, petrochemical, mining, metallurgy, machine tool, machinery, tobacco, packaging, printing, food, measurement, office, household appliances and other industries, promoting the development of the automation industry.

Main products: proximity sensor, photoelectric sensor, color contrast sensor, light curtain, limit switch, ultrasonic sensor, laser sensor, pull cord, conveyor protection device, speed sensor, high temperature sensor.

Frequently Asked Questions
What is the frequency range of the D12A speed sensor?
The sensor operates within a frequency range of 5 Hz to 20 kHz, ensuring reliable pulse generation even at low speeds.
What type of output signal does this sensor provide?
It provides a Square Wave signal from a push-pull output stage, which is DC-coupled to the supply with a maximum load current of 30 mA.
What are the protection ratings for this device?
The sensor itself is rated IP68 for excellent water and dust resistance, while the cable connection is rated IP67.
What is the operating temperature range?
The sensor is designed to function in extreme environments, with an operating temperature range from -104°F to 257°F (-40°C to 125°C).
What is the required supply voltage?
The D12A series requires a supply voltage between 8 and 32 DCV.
How is the sensor connected?
It uses a standard M12x1 thread connector with 4 pins for secure and easy integration into industrial systems.

Related Products